• Elsäkerhet sedan 1969
  • Brett sortiment
  • Fri frakt över 1000kr - webbshop*
0 Varukorg
Skapa ny lista
Lägg till i inköpslista
  • Mina favoriter
  • {{ list.name }}

MBS Strömtransformator

Finns i flera varianter

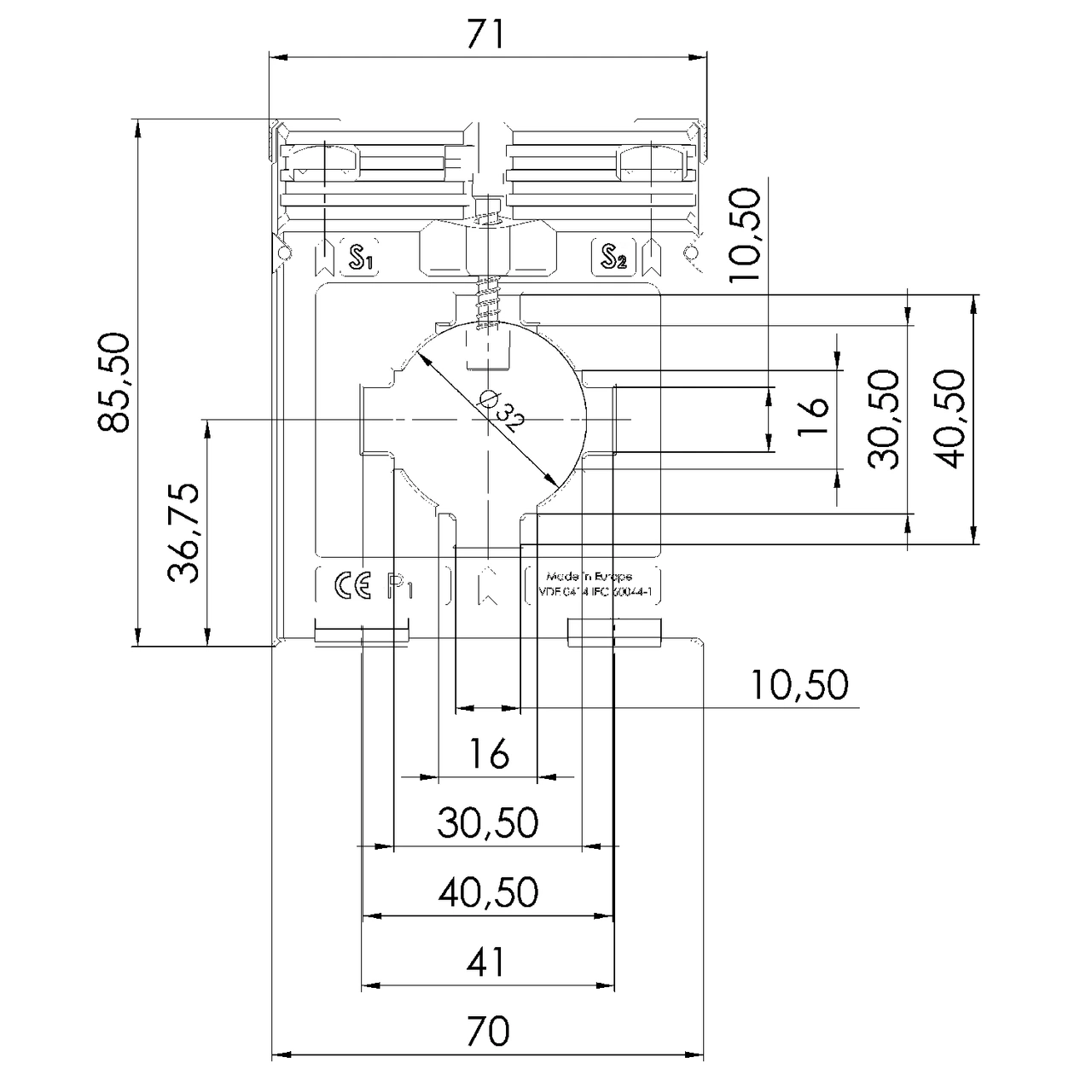
ASK 41.5

Strömtransformator för skena 40x10 mm, 20x30x5 mm eller kabel Ø 32mm

  • 60 A ... 1000 A
  • Sekundärström 1 A eller 5 A
  • Noggranhetsklass 0.5 och 1

Strömtransformator för skena 40x10 mm, 20x30x5 mm eller kabel Ø 32mm

  • 60 A ... 1000 A
  • Sekundärström 1 A eller 5 A
  • Noggranhetsklass 0.5 och 1
  • Beskrivning

    ASK 41.5 är en plug-in strömtransformatorer för primära strömmar från 60 A till 1000A, sekundär ström 5 A eller 1 A i noggrannhetsklass 0.5 eller 1.

    • Skena 1:        40 x 10mm
    • Skena 2:        20 x 30 x 5mm
    • Rund ledare:  32mm
    • Bredd:           71mm
    • Höjd:             88,5mm
    • Djup:             68mm

    Tekniska detaljer:

    • Therm. nominal continuous current Icth: 1,0 x Ipr
    • Therm. nominal short-time current Ith: 60 x Ipr, 1 Sek.
    • Max. operating voltage Um: 0,72 kV
    • Isolation test voltage: 3 kV, Ueff, 50 Hz, 1 Min.
    • Nominal rated frequency: 50/60 Hz
    • Isolation class: E
  • Filer
Kontaktperson
Andreas Birkenstedt
Andreas Birkenstedt

08 - 680 11 80
Skicka e-post

Maria Westman
Maria Westman

08 - 680 11 76
Skicka e-post

Strömtransformatorer