• Elsäkerhet sedan 1969
  • Brett sortiment
  • Fri frakt över 1000kr - webbshop*
0 Varukorg
Skapa ny lista
Lägg till i inköpslista
  • Mina favoriter
  • {{ list.name }}

MBS Strömtransformator

Finns i flera varianter

ASK 63.6

Strömtransformator för skena 60x30 mm eller kabel Ø 30mm

  • 200 A ... 2000 A
  • Sekundärström 1 A eller 5 A
  • Noggranhetsklass 0.2s, 0.5 och 1

Strömtransformator för skena 60x30 mm eller kabel Ø 30mm

  • 200 A ... 2000 A
  • Sekundärström 1 A eller 5 A
  • Noggranhetsklass 0.2s, 0.5 och 1
  • Beskrivning

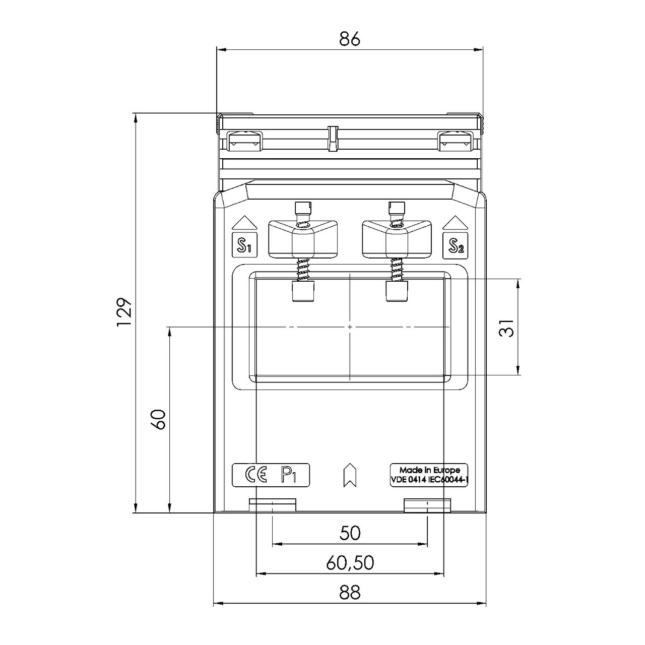
    ASK 63.6 är en plug-in strömtransformatorer för primära strömmar från 200 A till 2000A, sekundär ström 5 A eller 1 A i noggrannhetsklass 0.2s, 0.5 eller 1.

     

    • Skena 1:        60 x 30mm
    • Skena 2:        -
    • Rund ledare:  30mm
    • Bredd:           88mm
    • Höjd:             129mm
    • Djup:             78mm

    Tekniska detaljer:

    • Therm. nominal continuous current Icth: 1,0 x Ipr
    • Therm. nominal short-time current Ith: 60 x Ipr, 1 Sek.
    • Max. operating voltage Um: 0,72 kV
    • Isolation test voltage: 3 kV, Ueff, 50 Hz, 1 Min.
    • Nominal rated frequency: 50/60 Hz
    • Isolation class: E
  • Filer
Kontaktperson
Andreas Birkenstedt
Andreas Birkenstedt

08 - 680 11 80
Skicka e-post

Maria Westman
Maria Westman

08 - 680 11 76
Skicka e-post

Strömtransformatorer