• Elsäkerhet sedan 1969
  • Brett sortiment
  • Fri frakt över 1000kr - webbshop*
0 Varukorg
Skapa ny lista
Lägg till i inköpslista
  • Mina favoriter
  • {{ list.name }}

MBS Strömtransformator

Finns i flera varianter

CTB 81.35

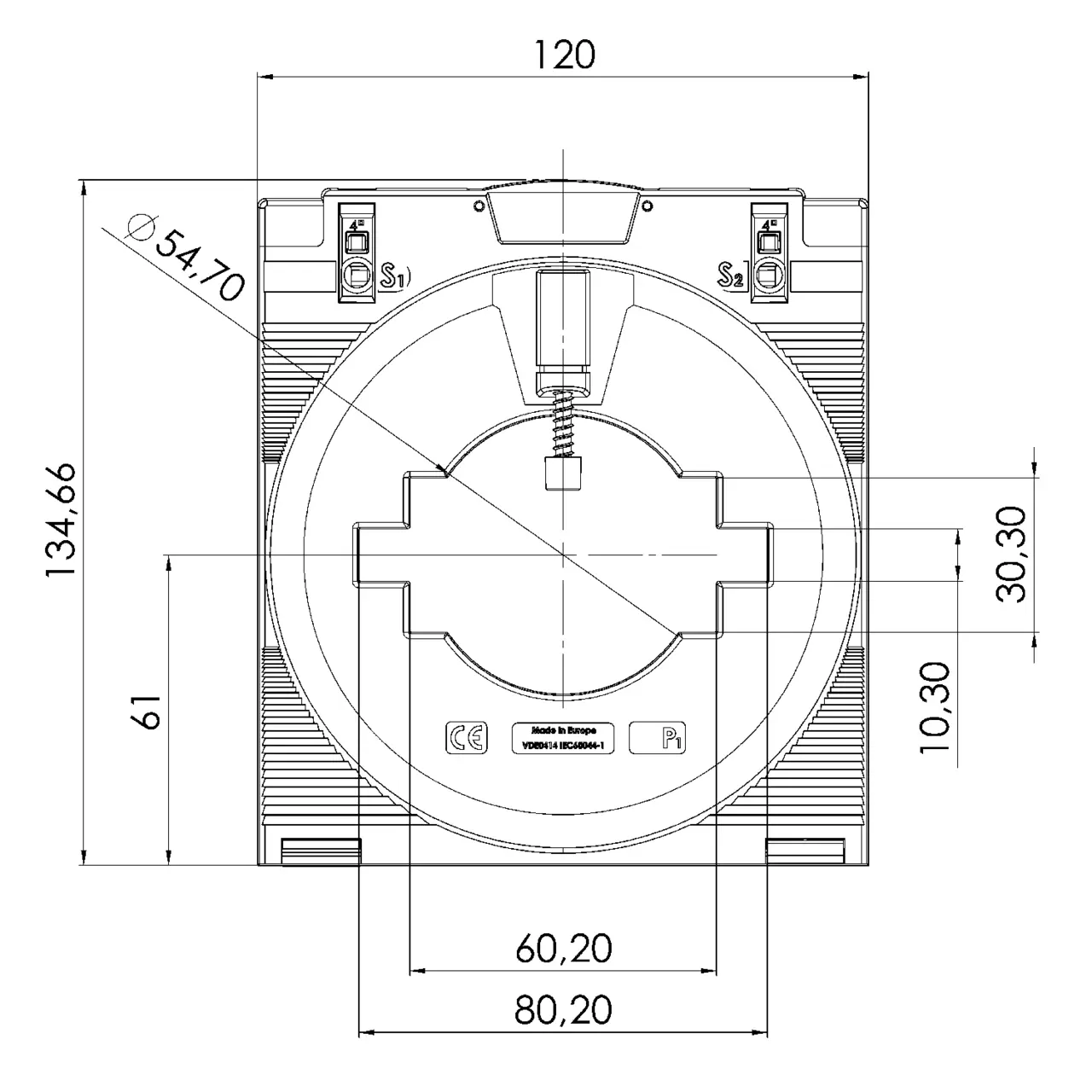
Strömtransformator för skena 80x10 mm, 60x30 mm eller kabel Ø 55mm

  • 400 A ... 2000 A
  • Sekundärström 1 A eller 5 A
  • Noggranhetsklass 0.5 och 1

Strömtransformator för skena 80x10 mm, 60x30 mm eller kabel Ø 55mm

  • 400 A ... 2000 A
  • Sekundärström 1 A eller 5 A
  • Noggranhetsklass 0.5 och 1
  • Beskrivning

    CTB 81.35 är en plug-in strömtransformatorer för primära strömmar från 400 A till 2000A, sekundär ström 5 A eller 1 A i noggrannhetsklass 0.5 eller 1.

    • Skena 1: 80 x 10mm
    • Skena 2: 60 x 30mm
    • Rund ledare: 55mm
    • Bredd: 120mm
    • Höjd: 135mm
    • Djup: 52mm

    Tekniska detaljer:

    • Therm. nominal continuous current Icth: 1,2 x Ipr
    • Therm. nominal short-time current Ith: 60 x Ipr, 1 Sek.
    • Max. operating voltage Um: 1,2 kV
    • Isolation test voltage: 6 kV, Ueff, 50 Hz, 1 Min.
    • Nominal rated frequency: 50 Hz
    • Isolation class: E
  • Filer
Kontaktperson
Andreas Birkenstedt
Andreas Birkenstedt

08 - 680 11 80
Skicka e-post

Maria Westman
Maria Westman

08 - 680 11 76
Skicka e-post

Strömtransformatorer