• Elsäkerhet sedan 1969
  • Brett sortiment
  • Fri frakt över 1000kr - webbshop*
0 Varukorg
Skapa ny lista
Lägg till i inköpslista
  • Mina favoriter
  • {{ list.name }}

MBS Strömtransformator

Finns i flera varianter

KBR 18S

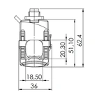
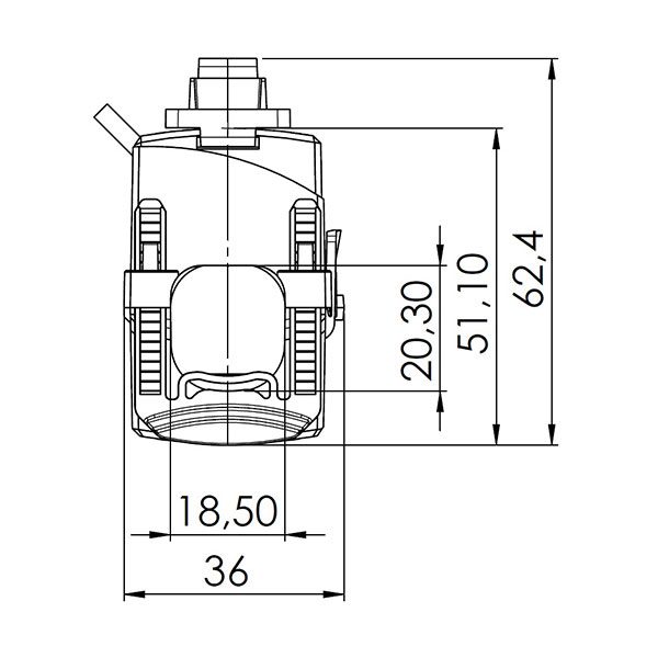
Delbar strömtransformator för kabel Ø 18,5mm

  • 60 A ... 250 A
  • Sekundärström 1 A
  • Noggranhetsklass 1 och 3

Delbar strömtransformator för kabel Ø 18,5mm

  • 60 A ... 250 A
  • Sekundärström 1 A
  • Noggranhetsklass 1 och 3
  • Beskrivning

    KBR 18S är en delbar strömtransformator för primära strömmar från 60 A till 250A, sekundär ström 1 A i noggrannhetsklass 1 eller 3.

    • Skena 1:        -
    • Skena 2:        -
    • Rund ledare:  18,5mm
    • Bredd:           36mm
    • Höjd:             62,4mm
    • Djup:             -

    Tekniska detaljer:

    • Therm. nominal continuous current Icth: 1,2 x Ipr
    • Therm. nominal short-time current Ith: 60 x Ipr, 1 Sek.
    • Max. operating voltage Um: 0,72 kV
    • Isolation test voltage: 3 kV, Ueff, 50 Hz, 1 min
    • Nominal rated frequency: 50 Hz
    • Isolation class: E
  • Filer
Kontaktperson
Andreas Birkenstedt
Andreas Birkenstedt

08 - 680 11 80
Skicka e-post

Maria Westman
Maria Westman

08 - 680 11 76
Skicka e-post

Strömtransformatorer - delbara